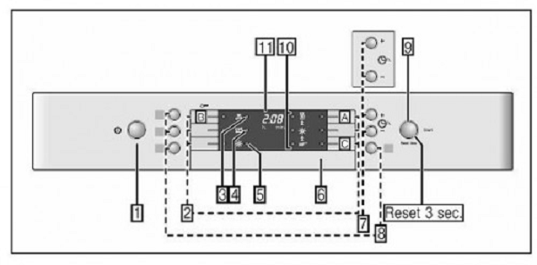
Để máy được rửa tốt và nhanh nhất bạn cần phải làm cho nước mềm. Đầu tiên chọn chế độ Clarke trên 9 độ. Nước được làm mềm cùng với muối tái sinh chế độ cài đặt chuẩn sẽ giúp cho việc rửa bát của máy nhanh chóng và hiệu quả.
-Cài đặt lượng muối khi rửa từ mức H:00 đến H:07 nếu bạn không cần thêm muối thì cài đặt là H:00
-Trình tự cài đặt: Để tự cài đặt bạn chỉ cần biết được độ cứng của nước bạn có thể hỏi công ty cấp nước để biết được độ cứng của nước.
-Có thể xem giá trị được cài đặt ở bảng giá trị độ cứng của nước.
-Đèn LED của nút nhấp nháy và cài đặt mặc định H:04 hiển thị trên màn hình hiển thị số.
-Ấn chương trình[C] Môi lần làm vvậy giá trị cài đặt sẽ được tăng lên mà cao nhất là H:07
-Nhấn nút START. Lúc này cài đặt bạn chọn đã được lưu.

Bảng điều khiển máy rửa bát
Những lưu ý khi sử dụng máy rửa bát:
- Không nên sử dụng chất tẩy quá rửa nhiều, vì bọt xà phòng sẽ làm tràn máy.
- Không nên để máy chạy quá tải. Bạn cần phải để chỗ trống cho hệ thống phun nước phun mạnh lên chén bát.
- Quay phần mặt bẩn nhất của bát đĩa hướng vào bộ phận phun, bộ phận này thường được đặt ở giữa.
- Không rửa chung các vật dụng bằng bạc và thép. Vì hai chất này tác dụng với nhau trong môi trường ẩm ướt sẽ tạo nên sự ăn mòn.
- Cố gắng xếp riêng rẽ bát, đĩa và muỗng, nếu không những chiếc muỗng, đũa sẽ chồng chéo lên nhau thành tổ, làm cho nước không đến được từng ngóc ngách của bát đĩa.
- Không nên rửa đồ gỗ, gang, gốm xứ, pha lê hoặc những chiếc bát đĩa có họa tiết vẽ bằng tay bằng máy rửa bát. Những đồ này nên rửa bằng tay.
- Chỉ sử dụng những sản phẩm được thiết kế riêng cho máy rửa chén bát (muối, bột, chất tẩy rửa và chất làm bóng)
- Tránh mở cửa máy rửa chén bát khi nó đang hoạt động, đặc biệt là trong chu trình sấy, vì hơi nước nóng sẽ thoát ra ngoài và phả vào bạn.
- Không được sử dụng các dung môi hóa học vì có thể gây nổ.
- Luôn luôn đóng cửa máy rửa chén bát khi đã cho hết chén bát cần rửa vào trong máy.
- Không được dựa hoặc ngồi trên cửa máy khi cửa mở.
- Rút phích cắm với nguồn điện khi tiến hành sửa chữa máy.
- Tránh đặt máy rửa chén gần bếp hoặc những thiết bị nhiệt khác để tránh cháy nổ.
- Nếu bạn lấy bất kỳ chén bát nào ra khỏi máy trước khi kết thúc chu trình rửa, bạn nên rửa lại cẩn thận để loại bỏ những dung dịch rửa còn sót lại.
- Khi máy rửa chén bị hỏng, đừng cố gắng tự sửa chữa, bạn có thể gây hư hỏng nghiêm trọng hơn cho máy và mang lại những nguy hiểm cho bạn.
- Vứt bỏ những thức ăn thừa còn trên bát đĩa trước khi cho vào máy rửa chén bát.
- Không cần rửa sơ bát đĩa bằng tay, vì điều này cũng không tiết kiệm nước cho bạn.
- Lựa chọn chương trình rửa phù hợp với từng loại bát đĩa và mức độ dơ bẩn của chúng.
- Tránh dùng quá mức quy định với các chất tẩy rửa, muối và dung dịch làm bóng. Tham khảo bảng hướng dẫn trước khi sử dụng.
- Trong quá trình sử dụng máy rửa bát bạn cũng cần thường xuyên kiểm tra, vệ sinh và bảo dưỡng định kỳ. Công việc đó thật sự không tốn quá nhiều thời gian, công sức, bạn chỉ cần có kiến thức cơ bản là có thể làm tốt.
Hy vọng những kinh nghiệm khi sử dụng máy rửa bát trên đây của chúng tôi sẽ giúp bạn điều chỉnh hoạt động máy rửa bát hiệu quả, làm tăng tuổi thọ của máy và tiết kiệm nước hơn. Mọi thông tin thắc mắc về sản phẩm máy rửa bát cao cấp Châu Âu như máy rửa bát Bosch,
, máy rửa bát Teka, Munchen... và nhiều hãng khác cũng như cách sử dụng, hãy liên hệ với Bếp Phương Đông để được hướng dẫn chi tiết hơn!